咨詢熱線

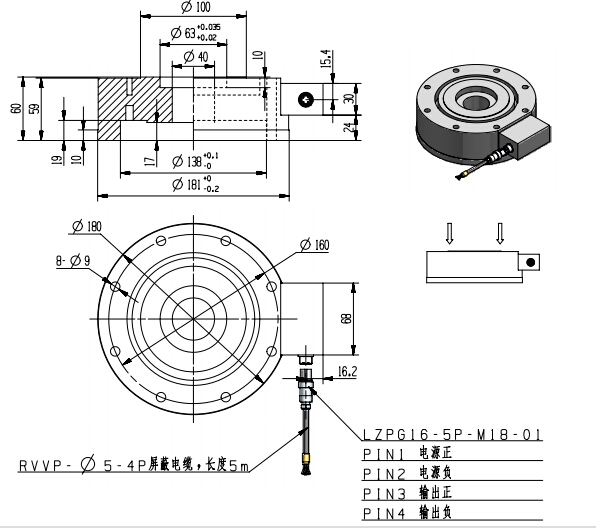
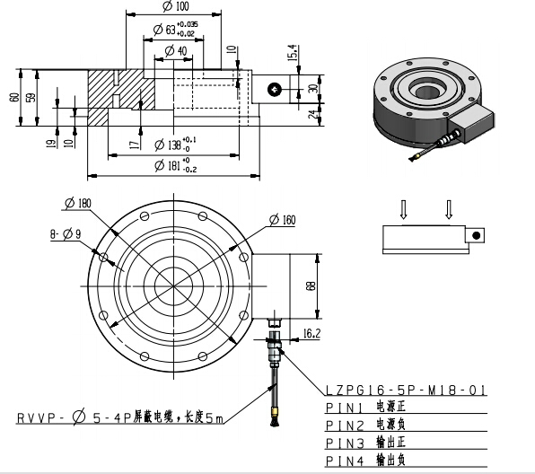
產品主要的技術參數:
|
量程 |
0~10,15,20,34t |
材質 |
不銹鋼 |
|
輸出靈敏度 |
1.0±10%mV/V |
阻抗 |
350 or 700 Ω |
|
零點輸出 |
±2%F.S. |
絕緣電阻 |
≥5000MΩ/100VDC |
|
非線性 |
0.5%F.S. |
使用電壓 |
10-15V |
|
滯后 |
0.5%F.S. |
工作溫度范圍 |
-20~80℃ |
|
重復性 |
0.5%F.S. |
安全過載 | 120% |
|
蠕變 (30分鐘) |
0.05%F.S. |
極限過載 | 200% |
|
溫度靈敏度漂移 |
0.05%F.S./10℃ |
電纜線規格 |
φ5x 3m |
|
零點溫度漂移 |
0.05%F.S./10℃ |
TEDS 可選 |
產品特點及用途:
特點:
◆LFC-181采用高精度電阻應變式原理
◆可滿足 9.8N~340000N范圍內的力測量。
◆不銹鋼材料,密封焊接,防油、防水、耐腐蝕
◆圓型結構設計,壓式承載,安裝使用方便靈活。
◆安全防爆型產品,可用于惡劣環境及危險性場合。
◆鋁合金/不銹鋼材料
◆體積小巧,外型美觀
◆動態響應頻率高,高精度
用途:
主要應用于: 試驗機、壓裝機、油壓機、冷熱壓機、電子吊鉤秤料斗秤等各類電子稱重設備和拉壓力檢測設備。
其他信息:
如您有其他的需要,如量程、尺寸、安裝位置、內置變送器等其他要求,請于我們聯系,我們可為您量身定做。也歡迎您來我司蒞臨指導。
|
量程 |
0~10,15,20,34t |
材質 |
不銹鋼 |
|
輸出靈敏度 |
1.0±10%mV/V |
阻抗 |
350 or 700 Ω |
|
零點輸出 |
±2%F.S. |
絕緣電阻 |
≥5000MΩ/100VDC |
|
非線性 |
0.5%F.S. |
使用電壓 |
10-15V |
|
滯后 |
0.5%F.S. |
工作溫度范圍 |
-20~80℃ |
|
重復性 |
0.5%F.S. |
安全過載 | 120% |
|
蠕變 (30分鐘) |
0.05%F.S. |
極限過載 | 200% |
|
溫度靈敏度漂移 |
0.05%F.S./10℃ |
電纜線規格 |
φ5x 3m |
|
零點溫度漂移 |
0.05%F.S./10℃ |
TEDS 可選 |